产品中心

产品中心

详情
  • 首页 >
  • 产品中心
  •  > 油液监测 > 油液传感器 > 在线式颗粒计数器
YJ3-E在线颗粒计数传感器-亚泰光电
产品型号: YJ3-E 
产品品牌: 亚泰光电 

YJ3-E 油液颗粒计数器传感器采用遮光法(光阻法)原理研制,用于液压系统油路中颗粒污染的在线实时监测。可广泛应用于航空、航天、电力、石油、化工、交通、港口、冶金、机械、汽车制造等领域中的液压油、润滑油、变压器油(绝缘油、汽轮机油(透平油、齿轮油、发动机油、航空煤油、水基液压油等的固体颗粒污染度检测,及对有机液体、聚合物溶液中的颗粒杂质的检测。



技术优势:

1. 采用遮光法(光阻法)原理;

2. 内置 GJB420B-06、GJB420A-96、NAS1638、ГOCT17216 、ISO4406:1999 (GB/T14039-2002)

等颗粒污染度等级标准,可实时给出所测样品的颗粒计数及污染度等级;

3. 可按 ISO4402 ISO11171 进行校准;

4. 标准串行 RS485 接口,可外接计算机完成控制及检测结果存储;

5. 通过CAN输出数据,可外接计算机完成检测结果存储;

6. 实时数据,能够实时掌握分析液压系统的磨损趋势。

主要测量参数

测量参数

测量范围

 

检测范围

1~100μm(详见附录B)

4~70μm(c)(详见附录B)

 

测量通道

1µm、2µm、5µm、10µm、15µm、25µm、50µm、 100µm

4µm(c)、4.6µm(c)、6µm(c)、10µm(c)、14µm(c)、21µm(c)、38µm(c)、70µm(c)

检测流速

10~300mL/min 推荐使用 25mL/min

检测周期

5~60S(5S/档

测量重复性

RSD<5%

测量精度

颗粒数±20%(或±1 个污染度等级)

内置等级标准

NAS1638、ISO4406、GJB420A、GJB420B、 ГOCT17216

备注:测量精度须确保测试环境在 20±5℃,流量25mL/min 范围内。

技术要求:

技术要求

参数

备注

数字信号输出

RS485 MODBUS RTU/ASCII 

 

工作电压

DC24V±10%

 

工作电流

150mA

 

工作温度

-20~60℃

 

流体温度

0~80℃

 

存储温度

-40~85℃

 

允许油压

≤2MPa

2~40MPa(配减压阀

推荐使用环≤0.6MPa

防护等级

IP65

 

光源类型

高精度准直光源 , , , ,

 

进出油接口

G1/8-¢6,配外径 6mm的低压卡套软管

高压管可定制

重量

950g

 

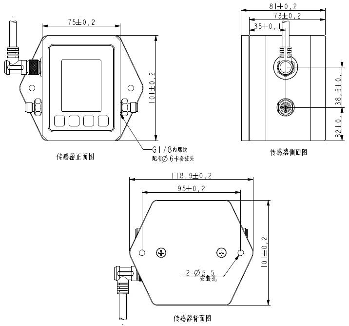
尺寸:

101mm×75mm×73mm (长 x 宽 x 高)


产品结构:


传感器机箱的外形以及安装孔尺寸图 单位:mm

传感器显示界面

传感器主界面主要由“标准”、“单位”、“周期”、“流速”、“地址”、“协议”、“语言”、“模式”、“波特率”九个选项组成,检测操作时将根据以上四项的设置进行;并且传感器提供上位机软件。

产品应用:

      电力行业 监测变压器、电抗器绝缘油 工业机械 监测机械设备润滑油和液压油 运输行业监测船舶、车辆发动机机油。


联系我们
电话:13316911816 (微信同号)  
      19065037505 (微信同号)
地址:深圳龙岗区宝龙四路亚泰光电产业园B栋  粤ICP备15086339号-1
E-mail:
liw@szyatai.com.cn

Copyright © 2019 深圳市亚泰光电技术有限公司,Inc.All rights reserved.